合乐HL8集团
官网升级,资料录入中……如遇资料缺失请联系热线
4008-600-979
SRM
合乐HL8集团
产品中心
软起动器
变频调速
周边配套
成套控制
应用方案
市政暖通农灌
自动化集成
冶金化工建筑
离散制造配套
合乐HL8集团
服务支持
关于合乐HL8集团
中文
中文
|
产品中心
合乐HL8集团专业从事电机驱动研发 提供卓越品质的产品和系统解决方案
当前位置:
合乐HL8集团
>
产品中心
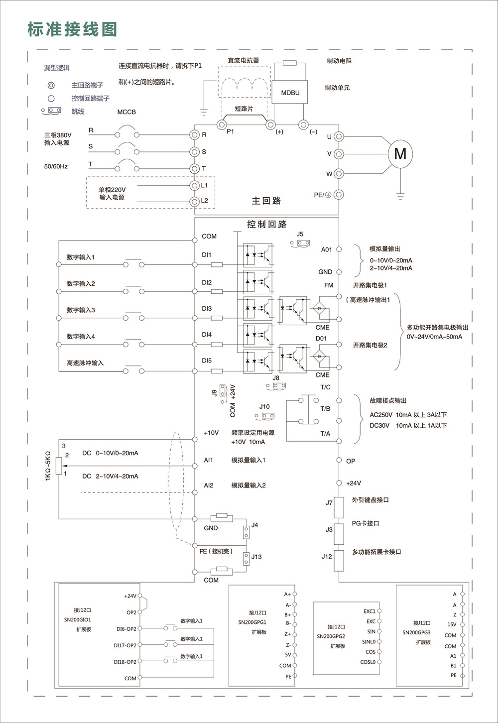
SN200G系列变频器
有丰富控制方式:速度传感器矢量控制、无速度传感器矢量控制、V/F控制外,支持V/F分离控制。
联系我们
产品详情
规格属性
成功案例
资料下载
名称
版本
格式
大小
日期
下载
SN200G-Inverter Manual in Russian
2303
pdf
5.76 MB
2025-02-08
SN200G-Inverter Manual in English
2303
pdf
3.23 MB
2025-02-08
SN200G 变频器选型手册
V1.0
pdf
4.47 MB
2025-02-07
SN200G系列变频器使用说明书
2303
pdf
15.86 MB
2025-02-07
上一篇
SN200MN系列
下一篇
SJR3-2000S系列紧凑型软起动器
产品推荐
SJR3-2000P/SJR3-3000P系列软起动器
SST-NS迷你型软启动器
SST-NX紧凑型软启动器
SST-A系列软启动器
Mail & CRM
代理加盟
投诉&建议
总机:021-61739188
邮箱:info@vwujob.com
地址:上海松江区光华路488弄2幢
全国服务热线
4008-600-979
关于合乐HL8集团
公司介绍
人力资源
合乐HL8集团
资质荣誉
分支机构
产品中心
软起动器
变频调速
周边配套
成套控制
应用方案
市政暖通农灌
自动化集成
冶金化工建筑
离散制造配套
合乐HL8集团
合乐HL8集团
行业新闻
工程业绩
服务支持
资料下载
产品视频
售后服务
抖音短视频账号
微信公众号
版权所有 ©2013-2025 上海合乐HL8集团电气科技有限公司
AG恒峰
SG·亚洲胜游
云顶国际集团